新闻动态
KWZK科威自控集团
米兰电竞,洞察赛局趋势,定义电竞美学
关于我们
公司简介
在线反馈
联系我们
产品展示
全部
传感器/变送器
流量计系列
液位/料位系列
阀门/执行装置
液压/气动元件
检维修工器具
化验/分析仪器
其他机电仪产品
新闻动态
全部
行业知识
企业新闻
资料下载
客户案例
新闻动态
推荐
热门
最新
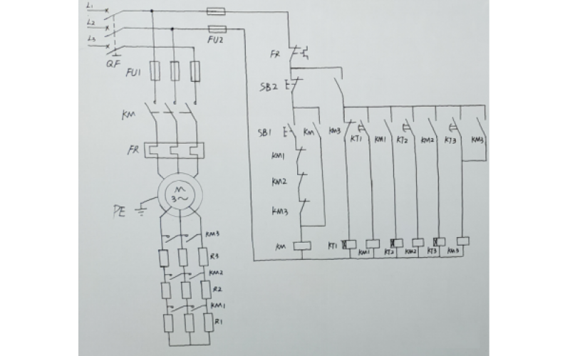
绕线转子异步电动机转子串电阻启动电路解析
绕线转子异步电动机转子串电阻启动电路解析
2022-11-17
科威
上一页
1
下一页
转至第
首页
产品
新闻
联系
威客电竞app登录入口
|
米兰游戏
|
米兰电竞
|
万象城平台_万象城(中国)一站式服务平台
|
荣耀体育·荣耀体育(中国)官方网
|
新利·体育(中国)官方网站
|
VKGAME靠谱吗?与其他网站有什么不同
|
开运电竞
|
UWIN电竞·(中国)集团
|