WAX-C320差压变送器液面测量的管路改装分享
2022-09-22 科威
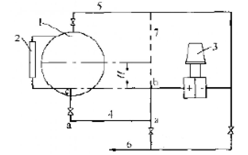
合成氨装置KW1101E液位仪表测量问题处理分享
南昌科威-物位检测仪表故障处理分享
2022-09-20 南昌科威
检测技术与仪表六大热工参量变送器
2022-06-11 科威自控
WAX-100系列压力变送器保养和校验知识分享
2022-05-30 科威自控
WAX-100系列压力变送器的安装、维护、如何选用知识介绍
2022-05-17 科威自控
分享关于KWZK液位变送器的小知识,KWZK液位变送器是什么?原理是什么?应用在什么场合?优势是什么?怎么选型呢?
2022-05-14 科威自控
KWZK-脱硫CEMS仪表现场处理经验分享
2022-05-09 科威