拼接式配电箱知识介绍分享
2022-11-21 科威
变电站备自投原理知识分享
2022-10-17 科威
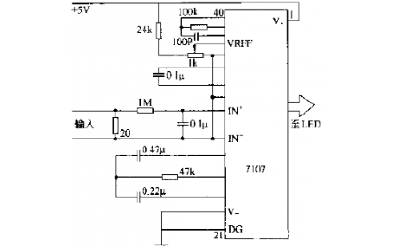
QWF-L6系列积算指示仪的改进
2022-10-05 科威
DAS什么?DAS详解分享
2022-08-18 科威