汽机轴隙探头拆装要点知识分享
2023-05-30 科威
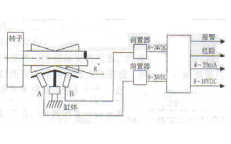
汽轮机胀差、轴位如何定零位?
2023-05-22 科威
LVDT在线故障处理与分析知识分享
2023-02-22 科威
DEH系统KM8-AJ系列位移传感器的知识了解
2022-06-01 科威自控
ZPY-VB系列激光传感器如何工作的?激光源如何产生?
2022-05-14 科威自控
KM8-AJ系列伸缩位移传感器的工作原理?时钟信号的作用?
2022-05-07 科威自控
接近开关传感器的含义,编者理解为:把已知的物理量,声,光,物体(金属动物),压力,温度,振动,等。探测变成电量的电气元件。在智能制造,物联网等应用广泛,日常生活中处处可见。
2022-04-07 科威